Description
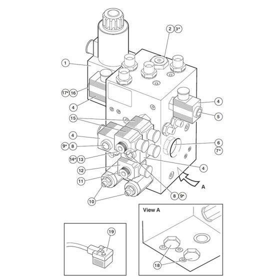
The Valveblock Transmission (DCV) Assembly is designed for Niftylift HR15N, 17N, SP45N, and 50N access platforms. This assembly ensures efficient hydraulic control and reliable operation of the platform's transmission system. Key components include valves, seals, and connectors, all contributing to the smooth and safe functioning of the equipment.
Reviews
Add a review
Write Your Own Review
Ask a Question
Customer Questions

