Description
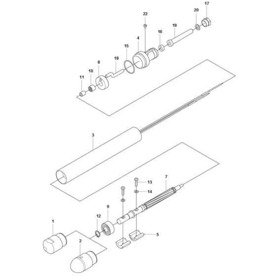
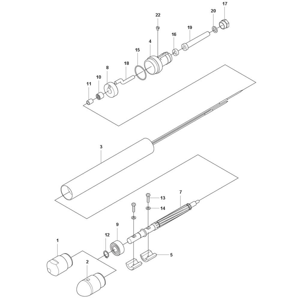
The Vibrator Assembly for the Husqvarna AX 56 Poker includes key components to ensure optimal performance and durability. This assembly is crucial for maintaining the efficiency of the poker, providing consistent vibration for concrete consolidation. Components such as shafts, bearings, and seals are available, designed to withstand demanding conditions and extend the lifespan of your equipment.
Reviews
Add a review
Write Your Own Review
Ask a Question
Customer Questions

