Description
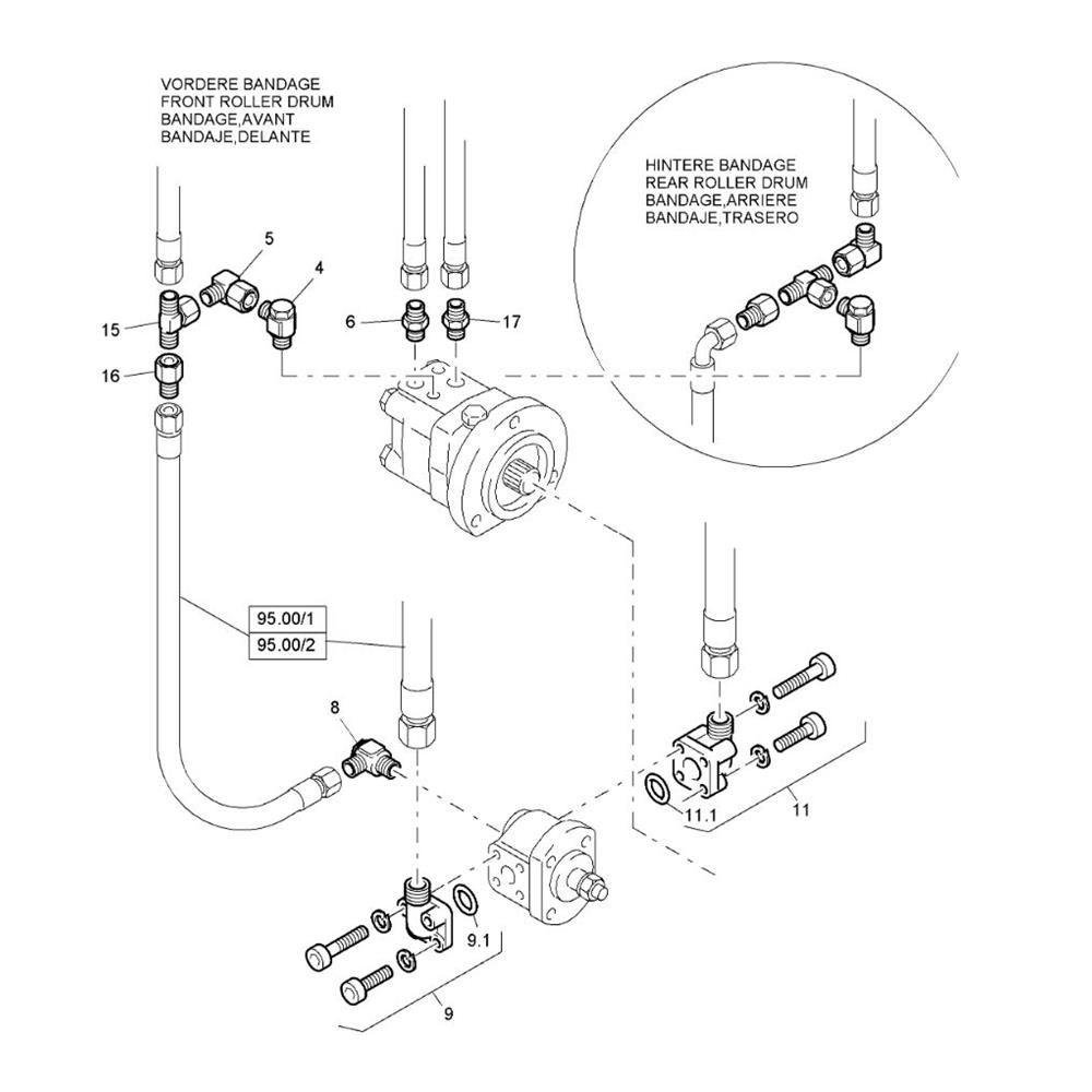
The Vibratory Drum Roller Assembly for the Bomag BW 75 AD-2 is designed to ensure optimal performance and longevity of your roller. This assembly includes essential components such as drums, bearings, and seals, which are crucial for maintaining the machine's efficiency. Suitable for models with serial numbers 101480321080 to 101480329999, it ensures reliable operation in various construction tasks.
Reviews
Add a review
Write Your Own Review
Ask a Question
Customer Questions

