
Viking AME 842 HD Ride on Mowers
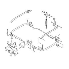
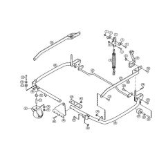
Spare Parts for Viking AME 842 HD Ride on Mowers
Spare Parts for Viking AME 842 HD Ride on Mowers
Shop by diagram
All products
-
Bolt - Genuine Stihl OEM No. 9007 319 2490£2.64 £2.20