excellent reviews view over 8000 reviews
next day delivery over 500,000 items in stock
no hassle returns buy with confidence
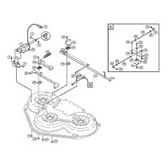
Viking AME 849 HD Ride on Mowers

Viking AME 849 HD Ride on Mowers

Spare Parts for Viking AME 849 HD Ride on Mowers
Spare Parts for Viking AME 849 HD Ride on Mowers

All products

16 Items

Set Descending Direction

16 Items

Set Descending Direction

Recently viewed products