
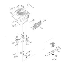
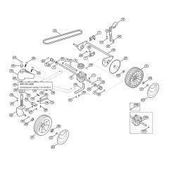
Viking MB 3.1 RT Petrol Lawn Mowers
Spare Parts for Viking MB 3.1 RT Petrol Lawn Mowers
Spare Parts for Viking MB 3.1 RT Petrol Lawn Mowers
Shop by diagram
All products
-
E Clip for Stihl MS380 Chainsaw - 9460 624 1000£0.41 £0.34 -
Wheel fits Stihl MB Series Lawnmowers - 6364 700 0400£20.80 £17.33 -
Bolt lever - Genuine Stihl OEM No. 6338 780 0100£12.44 £10.37 -
Washer 5.3 for Stihl Machines - 9307 020 0120£0.41 £0.34