excellent reviews view over 8000 reviews
next day delivery over 500,000 items in stock
no hassle returns buy with confidence
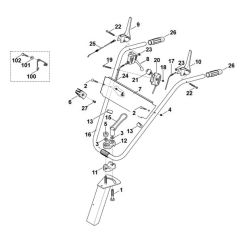
Viking MB 6 RH Petrol Lawn Mowers

Viking MB 6 RH Petrol Lawn Mowers

Spare Parts and Part Diagrams for Viking MB 6 RH Petrol Lawn Mowers
Spare Parts and Part Diagrams for Viking MB 6 RH Petrol Lawn Mowers

All products

We can't find products matching the selection.

Recently viewed products