
Viking MB 655.0 GK Petrol Lawn Mowers
Spare Parts for Viking MB 655.0 GK Petrol Lawn Mowers
Spare Parts for Viking MB 655.0 GK Petrol Lawn Mowers
Shop by diagram

Handle Upper Part for Viking Mowers

Handle Lower Part for Viking

Frame & Height Adjustment

Front Axle Housing for Viking

Drive Shaft for Viking MB 655.0 GK

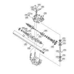
Gear Box for Viking MB 655.0 GK

Engine and Blade for Viking MB 655.0

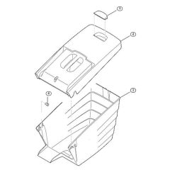
Grass Catcher Bag for Viking Mowers

Handle Lower Part for Viking MB 655.0

Drive Shaft for Viking MB 655.0 GK
All products
-
Wheel fits Stihl MB Series Lawnmowers - 6364 700 0400£20.24 £16.87
-
E-Clip 5 for Stihl 08S, 038 - 9460 624 0500£0.48 £0.40