
Viking MB 655.1 GS Petrol Lawn Mowers
Spare Parts for Viking MB 655.1 GS Petrol Lawn Mowers
Spare Parts for Viking MB 655.1 GS Petrol Lawn Mowers
Shop by diagram

Handle Upper Part for Viking MB 655.1

Handle Lower Part for Viking MB 655.1

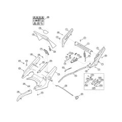
Frame for Viking MB 655.1 GS

Front Axle Housing for Viking

Drive Shaft for Viking MB 655.1 GS

Gear Box for Viking MB 655.1 GS

Engine for Viking MB 655.1 GS

Blade & Clutch for Viking Mowers

Grass Catcher Bag for Viking

Handle Lower Part-1 for Viking Mowers

Frame Height Adjustment

Front Axle Housing for Viking

Shaft Drive for Viking MB 655.1 GS
All products
-
E-Clip 4 for Stihl MS181, MS170 - 9460 624 0400£0.48 £0.40
-
Wheel fits Stihl MB Series Lawnmowers - 6364 700 0400£20.24 £16.87
-
E-Clip 5 for Stihl 08S, 038 - 9460 624 0500£0.48 £0.40