
Wacker BH23 - 5000610380 (Petrol) Rev.102 Breakers
Spare Parts for Wacker BH23 - 5000610380 (Petrol) Rev.102 Breakers
Spare Parts for Wacker BH23 - 5000610380 (Petrol) Rev.102 Breakers
Shop by diagram

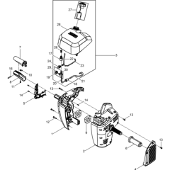
Cover Assembly for Wacker BH23

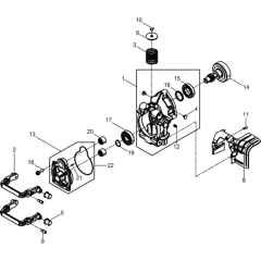
Crankcase Assembly for Wacker BH23

Striking Mechanism for Wacker BH23

Tool Holder Assembly

Engine Assembly for Wacker BH23

Gas Engine Assembly for Wacker BH23

Diaphragm Carburettor for Wacker BH23

Starter Assembly for Wacker BH23

Labels Assembly for Wacker BH23

Intermediate Flange Assembly
All products
-
Shift Lever for Wacker BH23, BH24 Breaker - 5000222523£26.82 £22.35
-
Label BH23 - Genuine Wacker Part No. 0219174£7.64 £6.37