
Wacker DT12p Track Dumper Parts
Genuine and non-genuine spare parts for Wacker Neuson DT12p Track Dumpers.
Genuine and non-genuine spare parts for Wacker Neuson DT12p Track Dumpers.
Shop by diagram

Pilot Stand Assembly

Swing Bracket Assembly

Cylinder Assembly for DT12p

Cylinder Assembly for Wacker DT12p

Speed Actuator Assembly

Exhaust Assembly for Wacker DT12p

Wacker DT12p Tools

Decals for Wacker DT12p

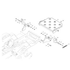
Step Plate Assembly for DT12p

Instrument Panel for Wacker DT12p

Boom Offset Cylinder Assembly

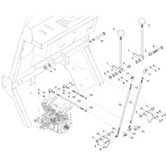
Tilt Ram Assembly for DT12p

Tilt Ram for Wacker DT12p

Tilt Ram Assembly for Wacker DT12p

Pilot Control Assembly

Hydraulic Pump for Wacker DT12p

Hydraulic Tank Assembly

Combi Cooler Assembly
All products
-
Screw - Genuine Wacker Part - OEM No. 1000273297£2.32 £1.93