Description
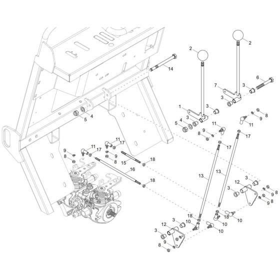
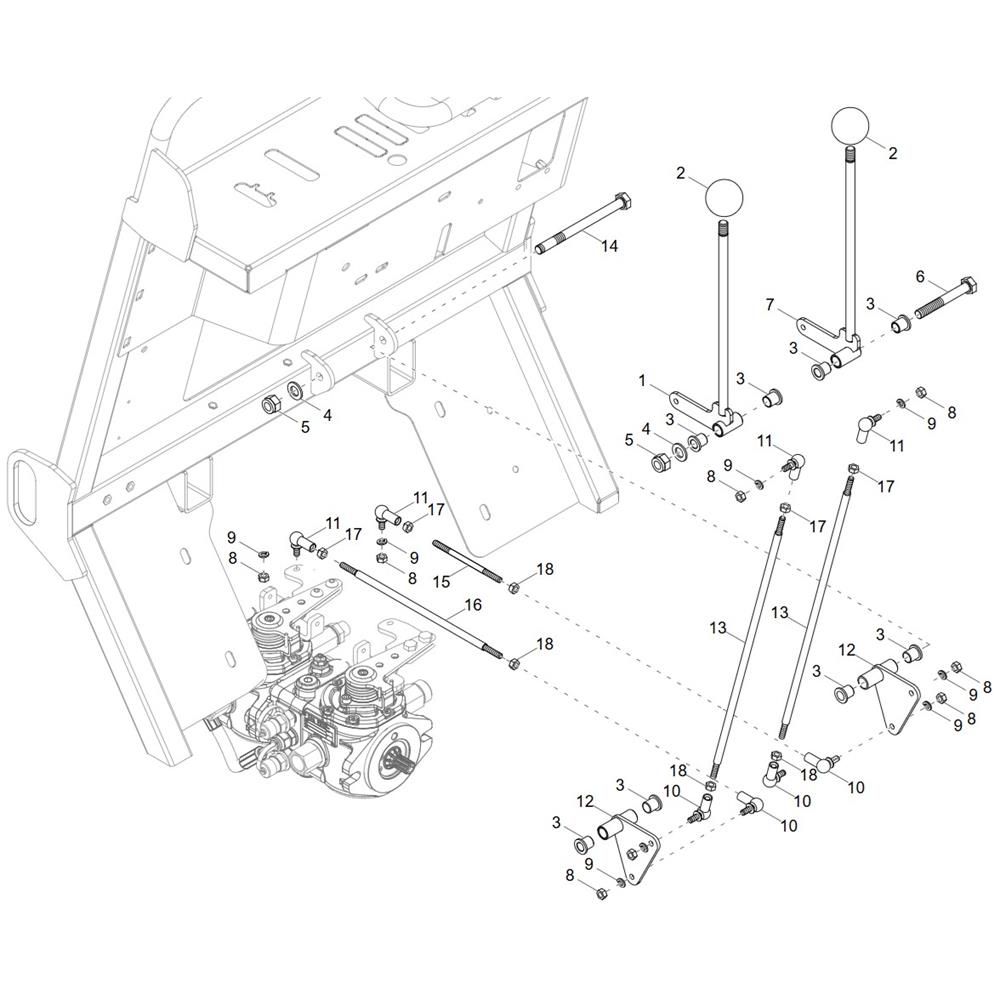
The Pilot Control Assembly for the Wacker DT12p Track Dumper is essential for precise operation and control. This assembly includes components such as levers, valves, and hoses, ensuring smooth and efficient machine handling. Designed to maintain the dumper's performance, it supports reliable operation in various construction environments.
Reviews
Add a review
Write Your Own Review
Ask a Question
Customer Questions

