Description
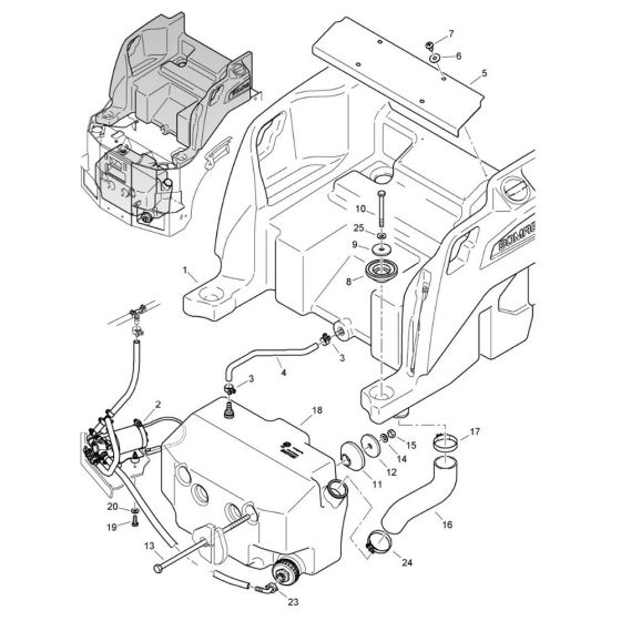
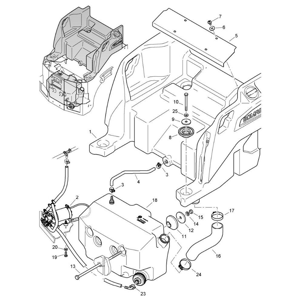
The Water Sprinkler System Assembly for the Bomag BW 120 AD-5 CC Roller is designed to ensure optimal performance during compaction tasks. This assembly helps in dust suppression and cooling, enhancing the roller's efficiency. It includes components such as nozzles, hoses, and valves, which are essential for maintaining consistent water flow. Genuine Bomag parts ensure compatibility and reliability.
Reviews
Add a review
Write Your Own Review
Ask a Question
Customer Questions

