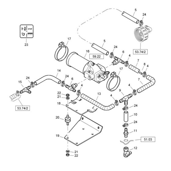
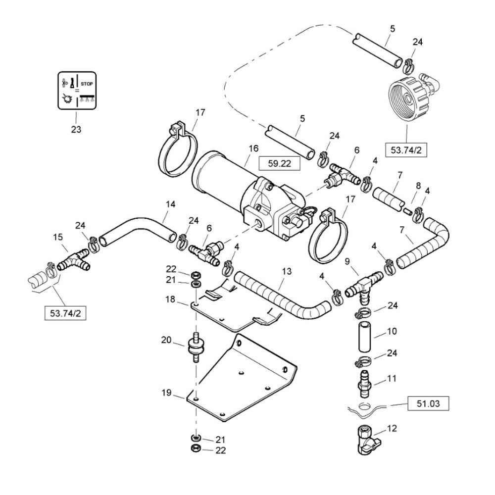
Description
The Water Sprinkler System Assembly for the Bomag BW80 ADS Roller ensures optimal performance by delivering consistent water distribution during operation. This assembly includes essential components such as hoses, nozzles, and valves, designed to maintain the roller's efficiency and prolong its service life. Genuine Bomag parts guarantee compatibility and reliability.
Reviews
Add a review
Write Your Own Review
Ask a Question
Customer Questions

