Description
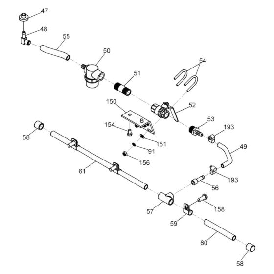
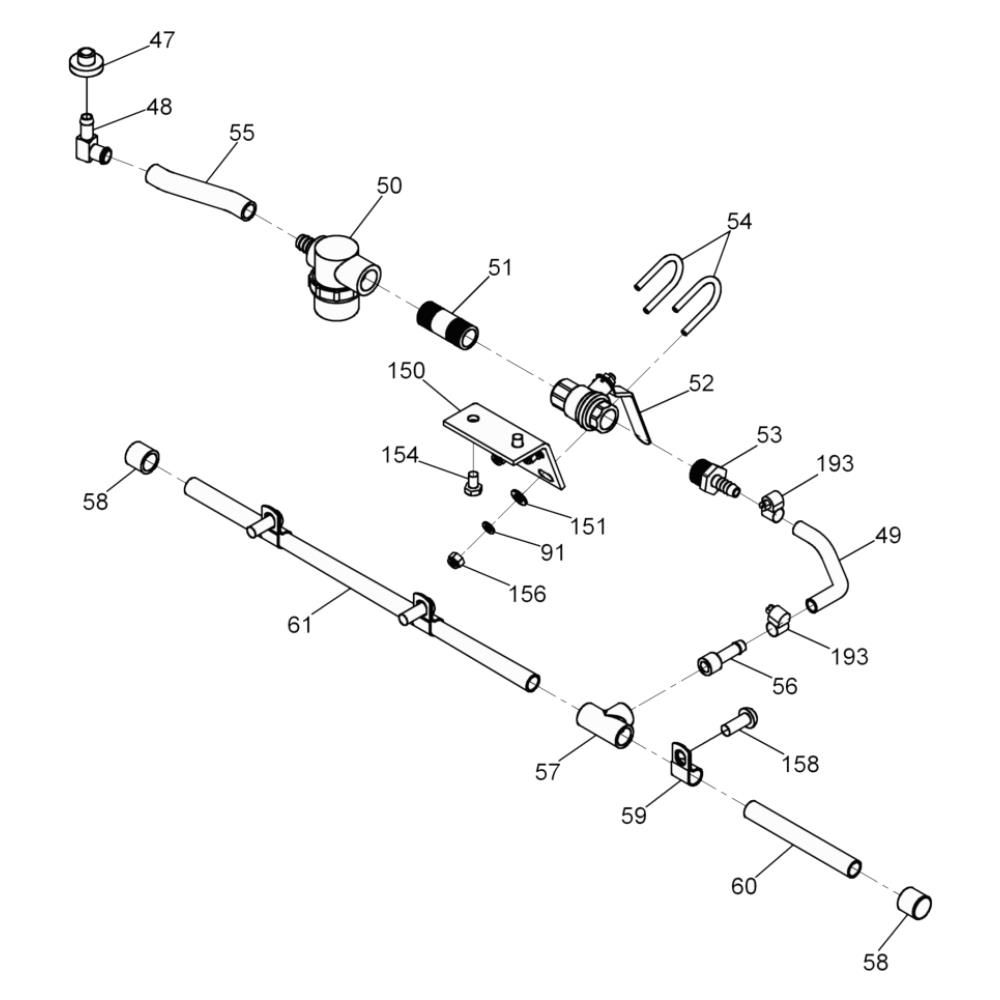
The Water System Assembly for the Wacker RS600 Roller is designed to ensure optimal performance and longevity of the roller. This assembly includes components such as hoses, nozzles, and valves, which work together to manage water flow efficiently. Essential for dust suppression and cooling, these parts help maintain the roller's effectiveness on various surfaces.
Reviews
Add a review
Write Your Own Review
Ask a Question
Customer Questions

