Description
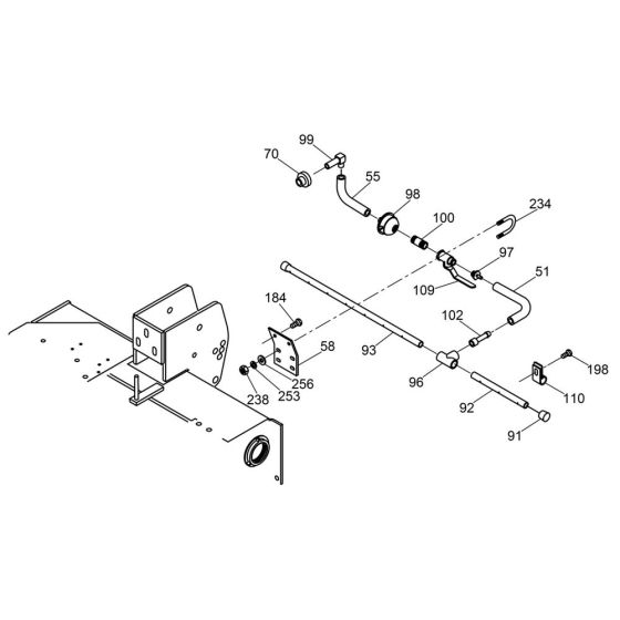
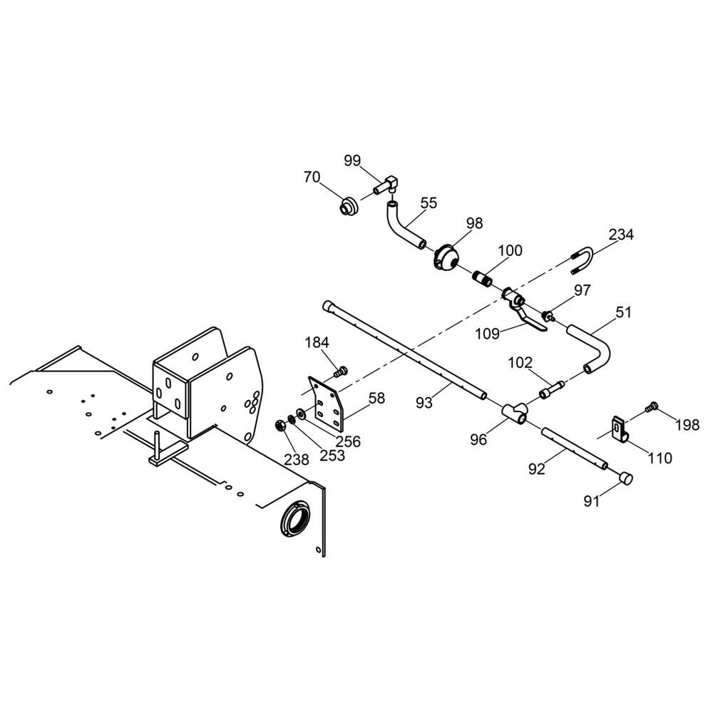
The Water System Assembly for the Wacker RS800V Roller includes essential components to ensure optimal performance. This assembly is crucial for maintaining the roller's efficiency by providing consistent water flow, which helps in dust suppression and cooling. Components may include hoses, valves, and connectors, all designed to fit the Wacker Neuson Single Drum Roller.
Reviews
Add a review
Write Your Own Review
Ask a Question
Customer Questions

