Description
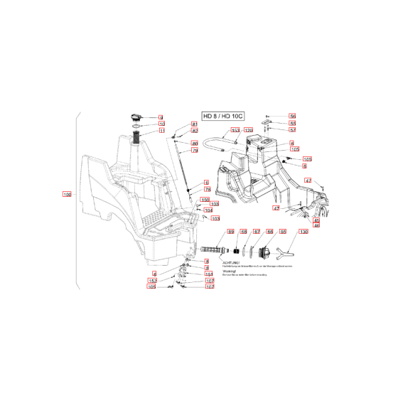
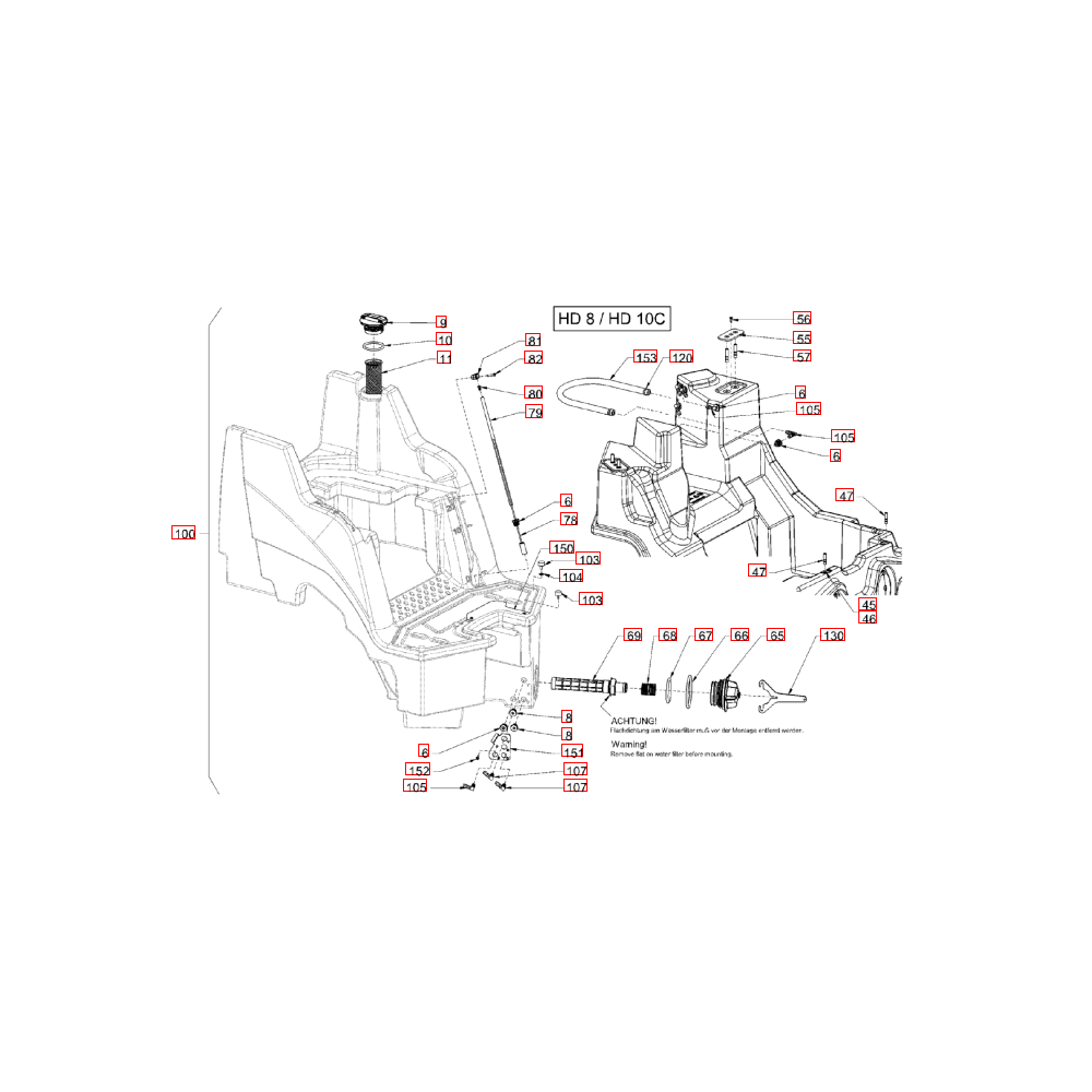
The Water System Sprinkling for Hamm HD8-10C (H199) Rollers is designed to ensure optimal performance and longevity of your roller. This system helps in maintaining dust control and cooling during operation. It includes essential components like hoses, nozzles, and valves, available in genuine and non-genuine options to suit various maintenance needs.
Reviews
Add a review
Write Your Own Review
Ask a Question
Customer Questions

