Description
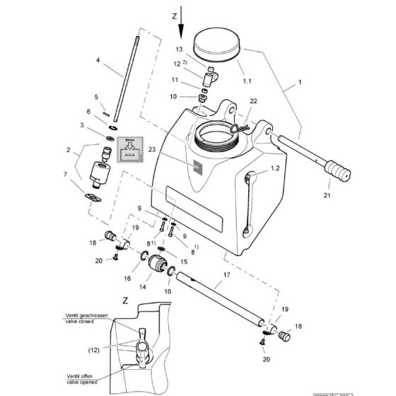
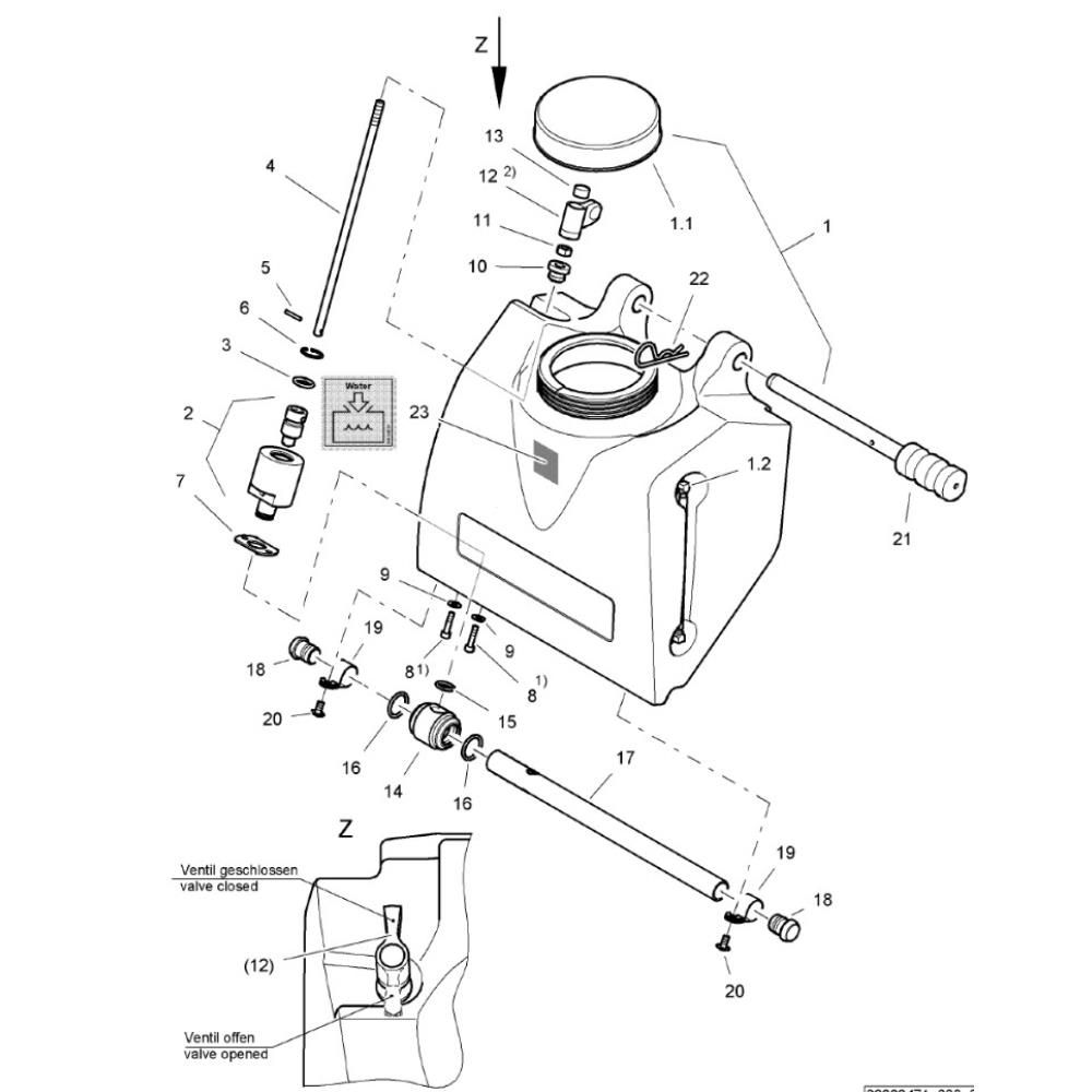
The Water Tank Assembly for Bomag BP 12/50 A Compactors is a crucial component designed to ensure optimal performance during compaction tasks. This assembly helps in dust suppression and cooling, enhancing the machine's efficiency. Genuine Bomag parts ensure compatibility and reliability, maintaining the integrity of your equipment.
Reviews
Add a review
Write Your Own Review
Ask a Question
Customer Questions

