Description
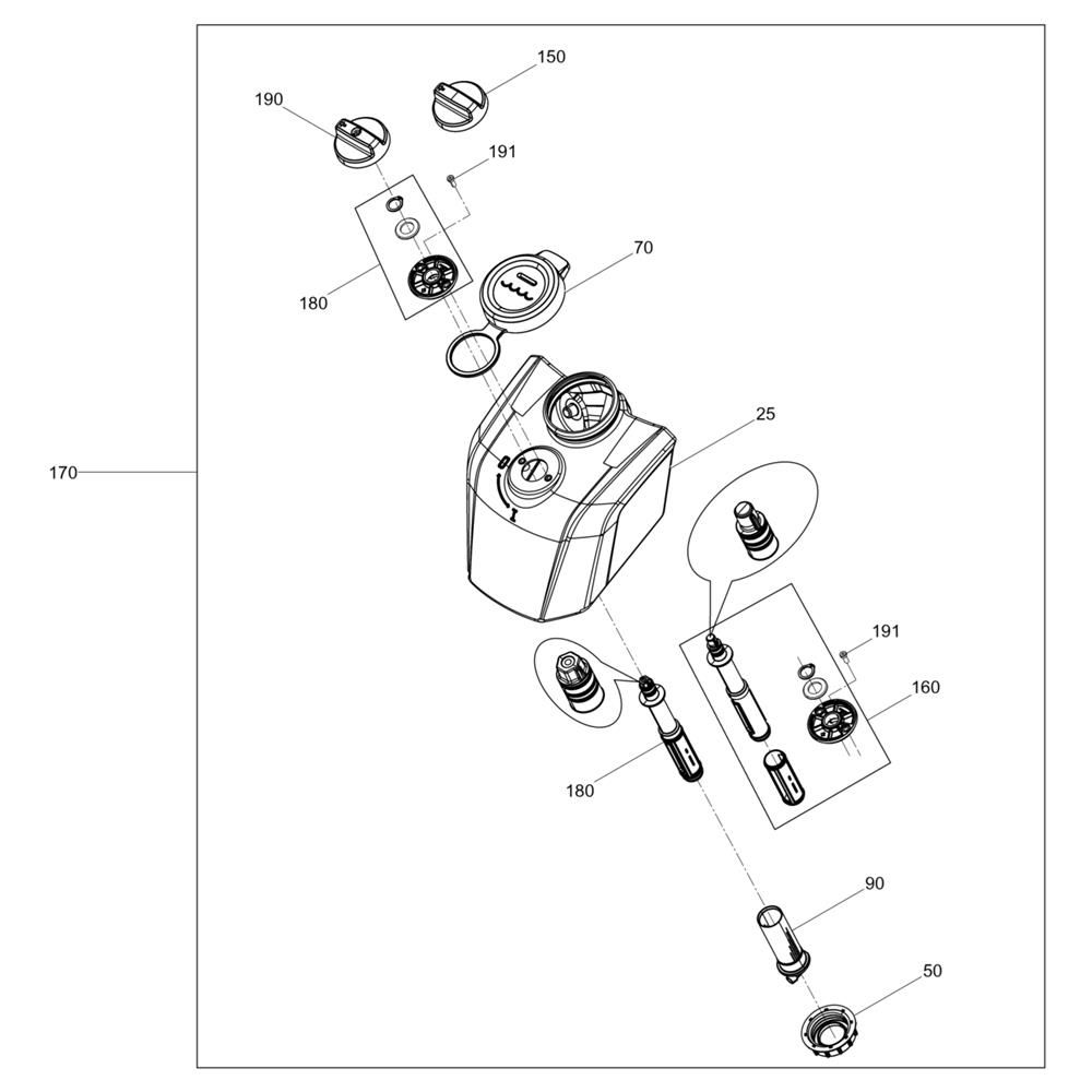
The Water Tank Assembly for the Wacker APS1135we Forward Plate Compactor is essential for optimal machine performance. It ensures efficient water distribution to reduce dust during compaction tasks. This assembly includes components such as hoses, valves, and fittings, designed to fit seamlessly with the Wacker Neuson model, enhancing durability and functionality.
Reviews
Add a review
Write Your Own Review
Ask a Question
Customer Questions

