Description
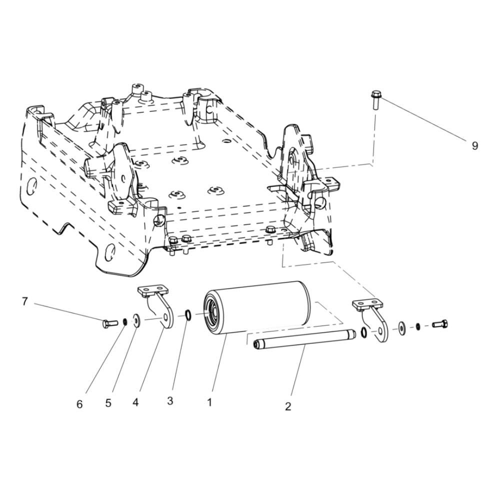
The Wheel Assembly for the Wacker WPU1550A Plate Compactor is designed to facilitate easy transportation and manoeuvrability of the machine. This assembly includes essential components such as wheels, axles, and brackets, ensuring the compactor can be moved efficiently between job sites. Genuine Wacker Neuson parts guarantee compatibility and durability, maintaining the performance of your equipment.
Reviews
Add a review
Write Your Own Review
Ask a Question
Customer Questions

