Description
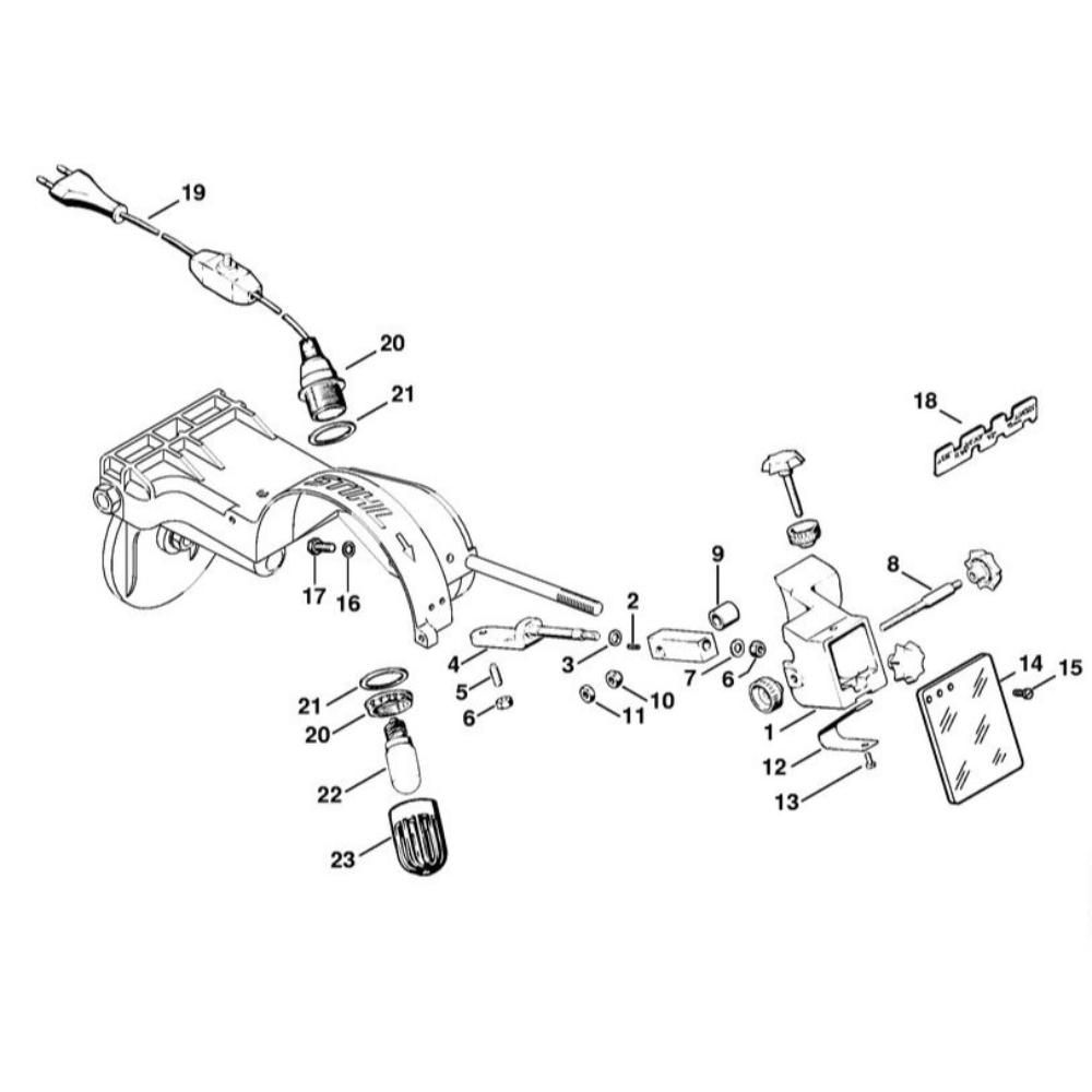
The Work Light Assembly for Stihl USG Sharpeners is a genuine Stihl part designed to enhance visibility during sharpening tasks. This assembly ensures optimal lighting conditions, aiding precision and efficiency. It includes components such as bulbs, mounts, and wiring, tailored for seamless integration with Stihl USG models.
Reviews
Add a review
Write Your Own Review
Ask a Question
Customer Questions

