
Yanmar L48N Engine Parts
Parts for Yanmar L48N Engines, Genuine and Non Genuine Parts Available.
Parts for Yanmar L48N Engines, Genuine and Non Genuine Parts Available.
Shop by diagram

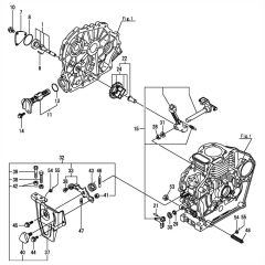
Cylinder Block Assembly

Cylinder Head & Bonnet Yanmar L48N

Air Cleaner & Muffler Assembly

Crankshaft & Piston for Yanmar L48N

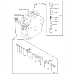
Oil Pump & Governor Assembly

Cooling & Starting Device Assembly

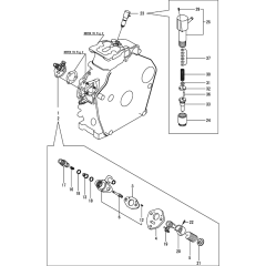
Fuel Injector Pump & Valve

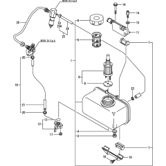
Fuel Tank & Pipe Assembly

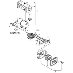
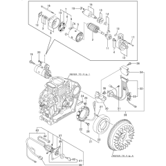
Starting Motor & Dynamo Assembly

Tool, Label & Gasket Set

Fuel Injector Pump & Valve
All products
-
Stator Assembly fits Yanmar L100N, L90AW Engines - 114399-78730£267.48 £222.90
-
Seal Fan Case for Yanmar L48N Engine - 114299-45330£16.79 £13.99
-
Seat Nozzle fits Yanmar L38N Engine - 114240-11550£20.28 £16.90