Description
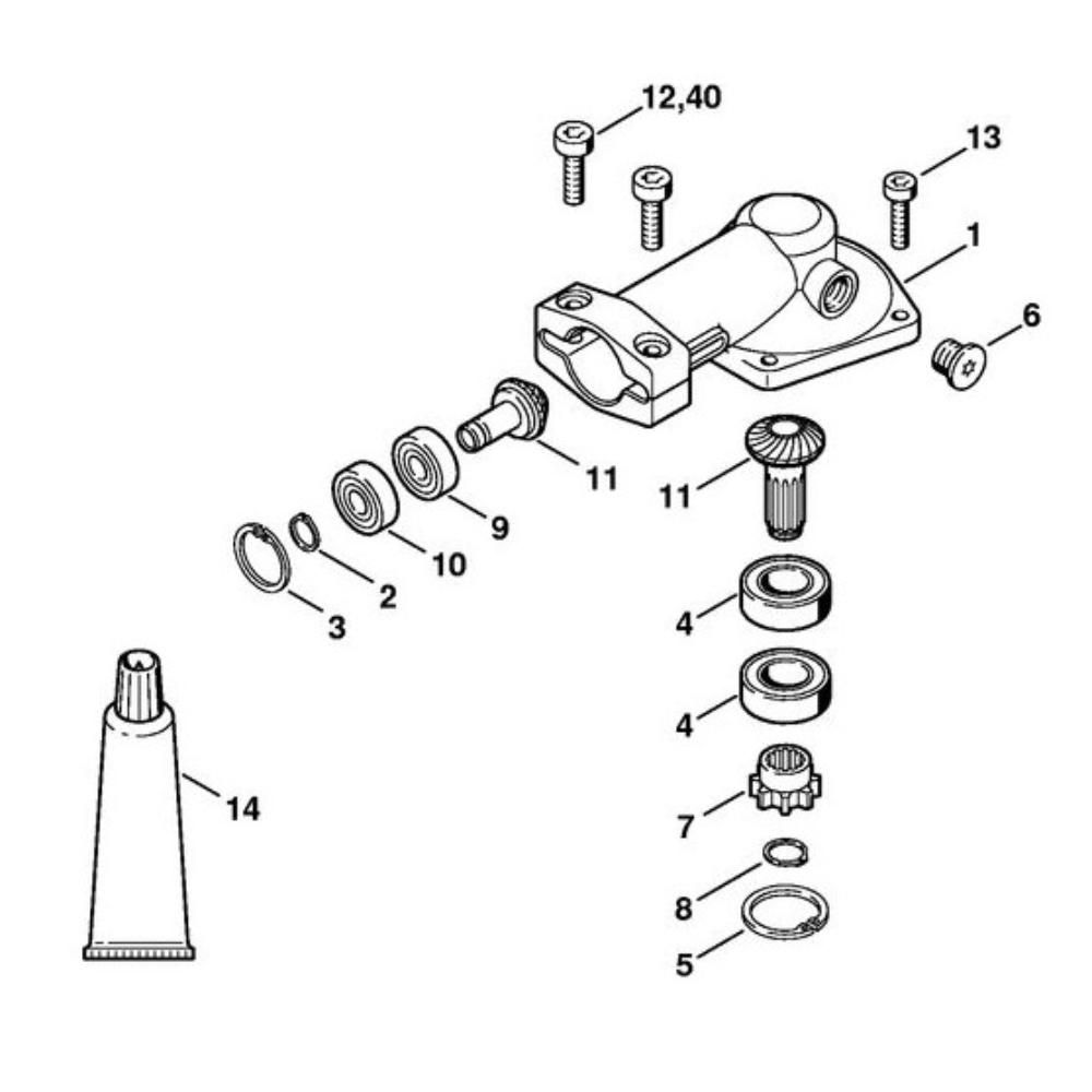
The Angle Drive 0 (24.2005) Assembly is designed for the Stihl HL 0 Power Tool Attachment, ensuring optimal performance and durability. This genuine Stihl part facilitates the efficient transfer of power, enhancing the functionality of your equipment. Essential for maintaining the tool's precision and reliability, it includes components such as gears, shafts, and bearings.
Reviews
Add a review
Write Your Own Review
Ask a Question
Customer Questions

