
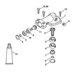
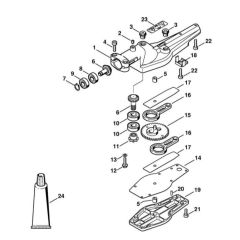
Stihl HL 0° Power Tool Attachment Parts
Spare parts and part diagrams for Sthil HL 0° power tool attachments
Spare parts and part diagrams for Sthil HL 0° power tool attachments

Spare parts and part diagrams for Sthil HL 0° power tool attachments
Spare parts and part diagrams for Sthil HL 0° power tool attachments