
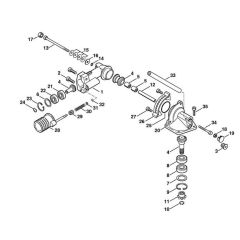
Stihl FH 0° - 90 ° Power Tool Attachments
Spare parts and part diagrams for Stihl FH 0° - 90 ° Power Tool Attachments
Spare parts and part diagrams for Stihl FH 0° - 90 ° Power Tool Attachments

Spare parts and part diagrams for Stihl FH 0° - 90 ° Power Tool Attachments
Spare parts and part diagrams for Stihl FH 0° - 90 ° Power Tool Attachments