Description
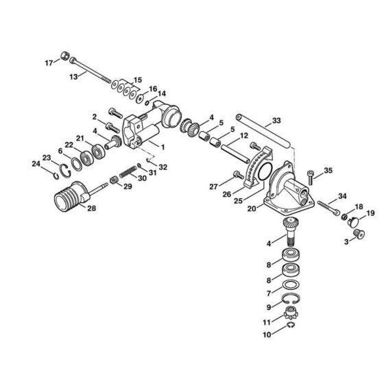
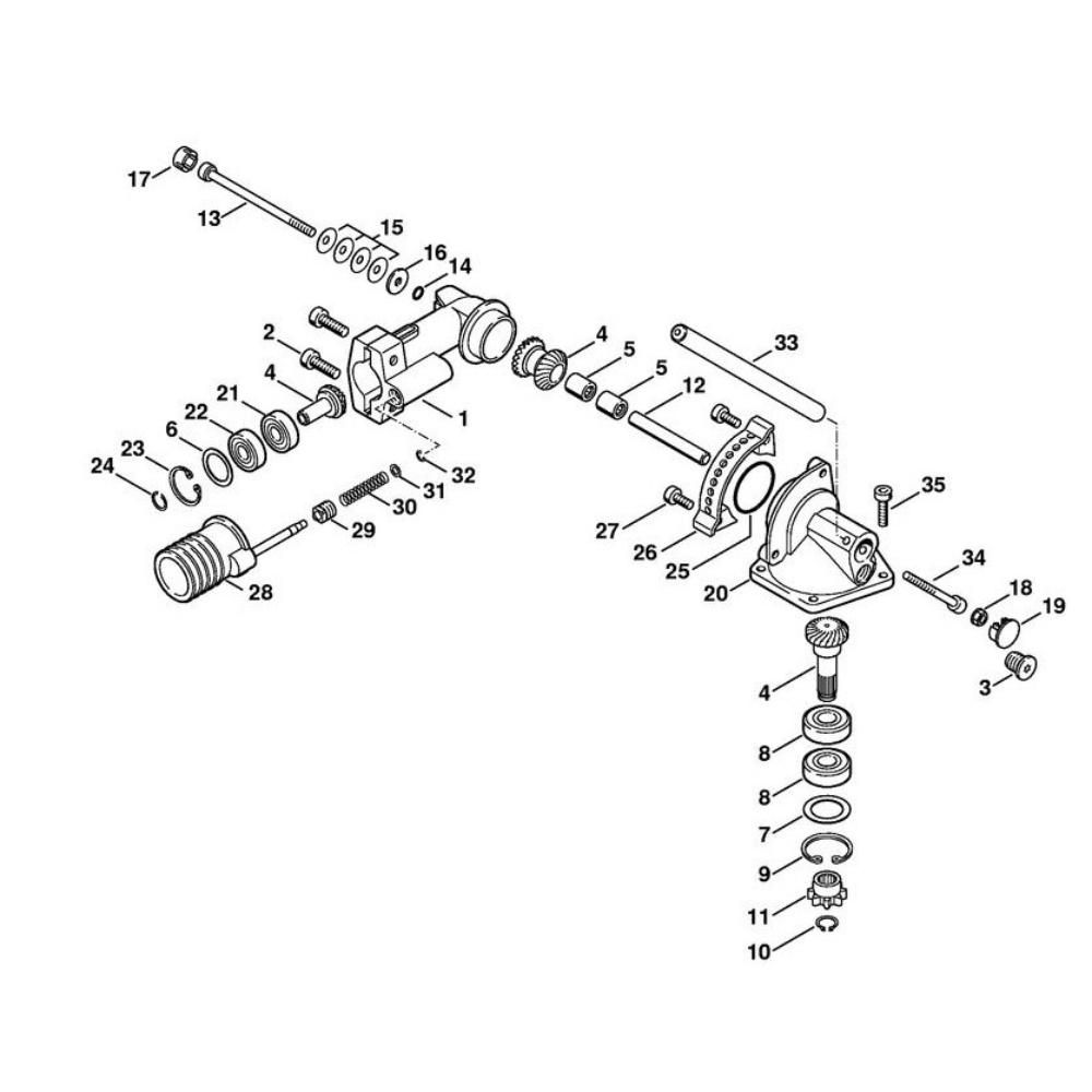
The Angle Drive Assembly for the Stihl FH 0 - 90 Power Tool Attachment is a genuine Stihl part designed to ensure optimal performance. This assembly facilitates the efficient transfer of power, enabling precise angle adjustments for various tasks. Components typically include gears, shafts, and bearings, all essential for maintaining the tool's functionality.
Reviews
Add a review
Write Your Own Review
Ask a Question
Customer Questions

