
Bosch GWS 20-230 P Angle Grinder Parts
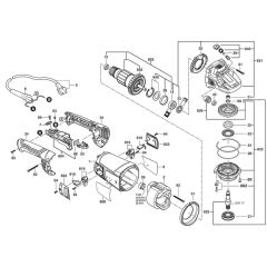
Spare parts and part diagrams for Bosch GWS 20-230 P (3 601 HC1 101), (3 601 HC1 175) angle grinders. The Bosch GWS 20-230 P Angle Grinder is a robust tool, featuring various parts essential for its function.
Spare parts and part diagrams for Bosch GWS 20-230 P (3 601 HC1 101), (3 601 HC1 175) angle grinders. The Bosch GWS 20-230 P Angle Grinder is a robust tool, featuring various parts essential for its function.
Shop by diagram
All products
-
Switch - Genuine Bosch Spare Part - OEM No. 1619P14187£36.32 £30.27 -
Bevel Gear Set for Bosch Machines - OEM No. 1619P15388£31.82 £26.52 -
Field for Bosch Machines - OEM No. 1619P15702£46.80 £39.00