
Bosch GWS 22-230 P Angle Grinders
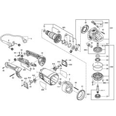
Spare parts and part diagrams for Bosch GWS 22-230 P (3 601 HC1 170 - 230 V / 036 - GB) and (3 601 HC1 174 - 230 V / 036 - GB) Angle Grinders
Spare parts and part diagrams for Bosch GWS 22-230 P (3 601 HC1 170 - 230 V / 036 - GB) and (3 601 HC1 174 - 230 V / 036 - GB) Angle Grinders
Shop by diagram
All products
-
Switch - Genuine Bosch Spare Part - OEM No. 1619P14187£36.32 £30.27 -
Bevel Gear Set for Bosch Machines - OEM No. 1619P15388£31.82 £26.52 -
Field for Bosch Machines - OEM No. 1619P15702£46.80 £39.00 -
Gear Housing for Bosch Machines - OEM No. 1619P15750£46.80 £39.00