Description
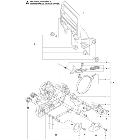
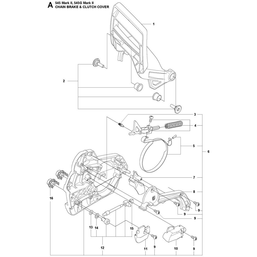
The Chain Brake and Clutch Cover Assembly for the Husqvarna 545 Mark II Chainsaw is designed to enhance safety and performance. This assembly helps protect the user by stopping the chain in case of kickback and covers the clutch mechanism to prevent debris ingress. Essential for maintaining the chainsaw's efficiency and longevity, it includes components like springs, levers, and covers.
Reviews
Add a review
Write Your Own Review
Ask a Question
Customer Questions

