
Husqvarna 545 Mark II Chainsaw Parts
Spares for Husqvarna 545 Mark II Chainsaws
Spares for Husqvarna 545 Mark II Chainsaws
Shop by diagram

Starter Assembly for Husqvarna 545

Muffler Assembly for Husqvarna 545

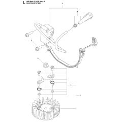
Ignition System for Husqvarna 545

Heated Handle for Husqvarna 545

Handle Assembly for Husqvarna 545

Fuel Tank Assembly for Husqvarna

Cylinder, Piston Assembly

Crankshaft Assembly for Husqvarna

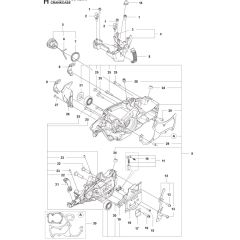
Crankcase Assembly for Husqvarna

Clutch, Oil Pump for Husqvarna 545

Chain Brake, Clutch Cover

Carburettor & Air Filter for Husqvarna

Husqvarna Chainsaw Accessories
All products
-
Brake Band Assy Fits Husqvarna 550 XP - 505 19 95 02£12.56 £10.47