
Husqvarna 570II Chainsaw Parts
Spares for Husqvarna 570II Chainsaws
Spares for Husqvarna 570II Chainsaws
Shop by diagram

Clutch Cover for Husqvarna 570II

Clutch & Oil Pump for Husqvarna 570II

Starter Assembly for Husqvarna

Ignition System for Husqvarna 570II

Cylinder Cover for Husqvarna 570II

Carburetor & Air Filter Assembly

Muffler Assembly for Husqvarna

Cylinder Piston Assembly

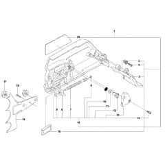
Handle Assembly for Husqvarna

Fuel Tank Assembly

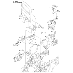
Chain Brake Assembly for Husqvarna

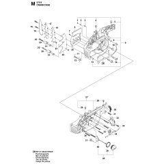
Crankcase Assembly for Husqvarna

Crankshaft Assembly Husqvarna 570II

Carburetor Assembly for Husqvarna

Accessories for Husqvarna 570II
All products
-
Sprocket Cover Nut M8 for Husqvarna Chainsaws£0.72 £0.60
-
Piston Circlip for Husqvarna K760 - 737 43 12 00£2.24 £1.87