
Husqvarna 562XP/XPG Chainsaw Parts
Spares for Husqvarna 562XP/XPG Chainsaws
Spares for Husqvarna 562XP/XPG Chainsaws
Shop by diagram

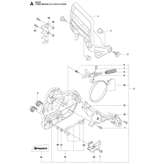
Chain Brake & Clutch Cover

Clutch & Oil Pump Assembly

Cylinder Cover for Husqvarna 562XP-XPG

Cylinder Piston Assembly

Crankshaft Assembly for 562XP-XPG

Muffler Assembly for 562XP-XPG

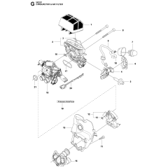
Carburetor & Air Filter Assembly

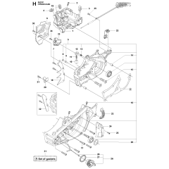
Crankcase Assembly for 562XP-XPG

Fuel Tank Assembly for Husqvarna

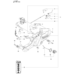
Handle Assembly for 562XP-XPG

Handle Heated Assembly

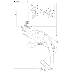
Handle Wrap Assembly

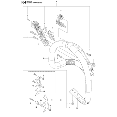
Handle Wrap Heated Assembly

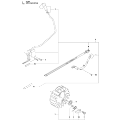
Ignition System for Husqvarna 562XP-XPG

Starter Assembly for Husqvarna

Carburetor Assembly for 562XP-XPG

Accessories for Husqvarna 562XP-XPG
All products
-
Brake Band Assy Fits Husqvarna 550 XP - 505 19 95 02£12.56 £10.47
-
Service Kit for Husqvarna 555, 560XP, 562XP Chainsaws - OEM No. 597 91 97-28Was £32.68 £27.23 Special Price £28.02 £23.35