
Husqvarna 570 Chainsaw Parts
Spares for Husqvarna 570 Chainsaws
Spares for Husqvarna 570 Chainsaws
Shop by diagram

Clutch Cover for Husqvarna 570

Clutch & Oil Pump for Husqvarna 570

Starter Assembly for Husqvarna 570

Ignition System for Husqvarna 570

Cylinder Cover for Husqvarna 570

Carburetor & Air Filter Assembly

Muffler Assembly for Husqvarna

Cylinder Piston Assembly

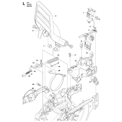
Handle Assembly for Husqvarna 570

Fuel Tank Assembly for Husqvarna

Chain Brake Assembly

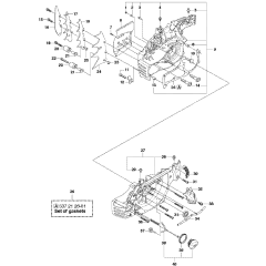
Crankcase Assembly for Husqvarna 570

Crankshaft Assembly Husqvarna 570

Carburetor Assembly for Husqvarna

Winter Kit for Husqvarna 570

Accessories for Husqvarna 570
All products
-
Sprocket Cover Nut M8 for Husqvarna Chainsaws£0.72 £0.60
-
Piston Circlip for Husqvarna K760 - 737 43 12 00£2.24 £1.87
-
20" (50cm) 72 Links - RM - 3/8" / 063" (1.6mm) Chain£32.98 £27.48