Description
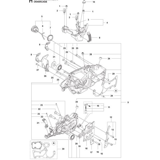
The Crankcase Assembly for the Husqvarna 545 Mark II Chainsaw is essential for housing the engine's moving parts, ensuring optimal performance and longevity. This genuine Husqvarna component includes key elements like bearings, seals, and gaskets, designed to withstand the rigours of heavy-duty cutting tasks. Regular maintenance with quality parts helps maintain the chainsaw's efficiency and reliability.
Reviews
Add a review
Write Your Own Review
Ask a Question
Customer Questions

