Description
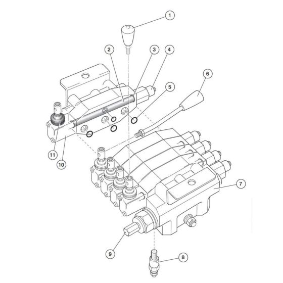
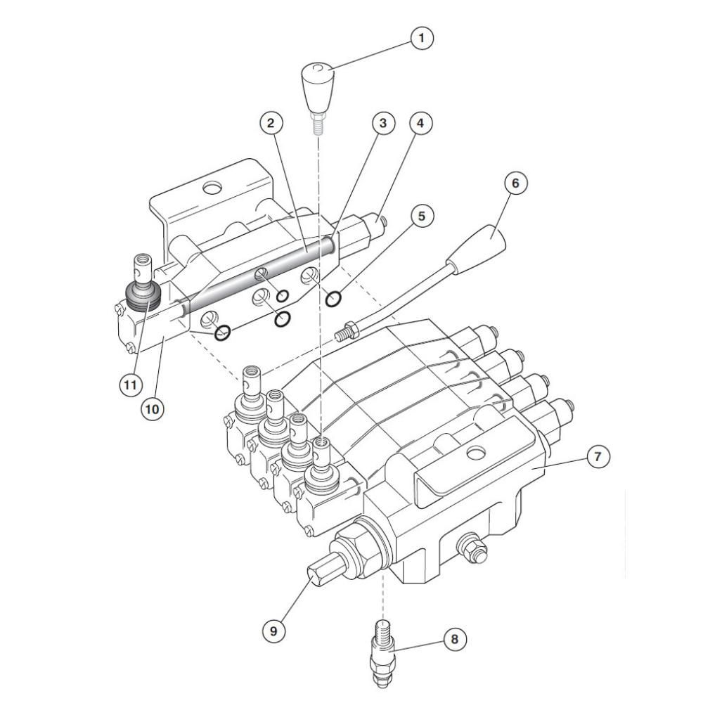
The Control Valve Assembly for Niftylift 120T (TM34T) Access Platforms ensures precise operation and safety. This assembly includes key components such as valves, seals, and levers, crucial for controlling hydraulic functions. Designed for reliability, it helps maintain optimal performance of your access platform. Genuine Niftylift parts ensure compatibility and durability.
Reviews
Add a review
Write Your Own Review
Ask a Question
Customer Questions

