
Niftylift 120T (TM34T) Cherry Picker
The Niftylift 120T (TM34T) Cherry Picker is a reliable trailer-mounted access platform known for its versatility and reach. Our Niftylift 120T parts range includes genuine replacement components to keep your machine performing safely and efficiently. From hydraulic rams, control switches, and safety interlocks to outrigger pads, hoses, and electrical spares, we stock everything you need for repairs and maintenance. Detailed Niftylift 120T parts diagrams make it easy to identify the correct components, ensuring quick and accurate ordering. Maintain peak performance, extend service life, and minimise downtime with quality Niftylift TM34T cherry picker parts and clear, easy-to-use parts diagrams.
The Niftylift 120T (TM34T) Cherry Picker is a reliable trailer-mounted access platform known for its versatility and reach. Our Niftylift 120T parts range includes genuine replacement components to keep your machine performing safely and efficiently. From hydraulic rams, control switches, and safety interlocks to outrigger pads, hoses, and electrical spares, we stock everything you need for repairs and maintenance. Detailed Niftylift 120T parts diagrams make it easy to identify the correct components, ensuring quick and accurate ordering. Maintain peak performance, extend service life, and minimise downtime with quality Niftylift TM34T cherry picker parts and clear, easy-to-use parts diagrams.
Shop by diagram

Label Locations TM34T Assembly

Label Locations 120T Assembly

Button Box Assembly for Niftylift 120T

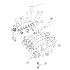
Control Valve Assembly for Niftylift

Cage Weigh Assembly for Niftylift 120T

Cage Assembly for Niftylift 120T

Cage Assembly for Niftylift 120T

Energy Chain Assembly for Niftylift

Telescope Cylinder Assembly

Levelling Cylinder Assembly

Lift Cylinder Assembly

Boom Assembly for Niftylift 120T

Battery Charger for Niftylift 120T

DC Power Pack for Niftylift 120T

DC Power Pack Assembly

DC Power Pack for Niftylift 120T

Transformer Box for Niftylift 120T

AC Transformer Box for Niftylift 120T

Button Box Assembly for Niftylift

Control Valve Assembly

Control Valve for Niftylift 120T

Slew Assembly for Niftylift 120T

Power Tray DC - Lithium Assembly

Power Tray Assembly for Niftylift

Power Tray Assembly for Niftylift 120T

Power Tray Assembly for Niftylift 120T

Valve Block for Niftylift 120T

Wheel Hub Assembly for Niftylift 120T

Lighting Assembly for Niftylift 120T

Jockey Wheel Assembly for Niftylift

Jockey Wheel Assembly

Tow Coupling Assembly for Niftylift

Stabiliser Assembly for Niftylift 120T

Traction Drive Assembly

Base Assembly for Niftylift 120T
