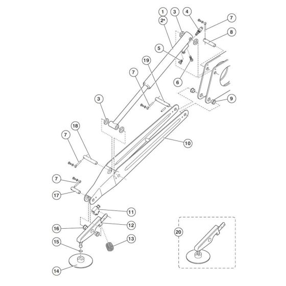
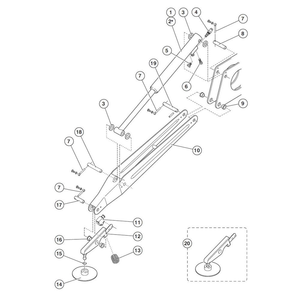
Description
The Stabiliser Assembly for Niftylift 120T (TM34T) Access Platforms is essential for maintaining stability and safety during operation. This assembly includes key components such as brackets, pins, and hydraulic parts, ensuring the platform remains secure and balanced. Genuine Niftylift parts are used to guarantee compatibility and reliability, supporting the platform's performance in various conditions.
Reviews
Add a review
Write Your Own Review
Ask a Question
Customer Questions

