Description
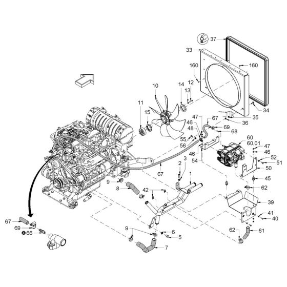
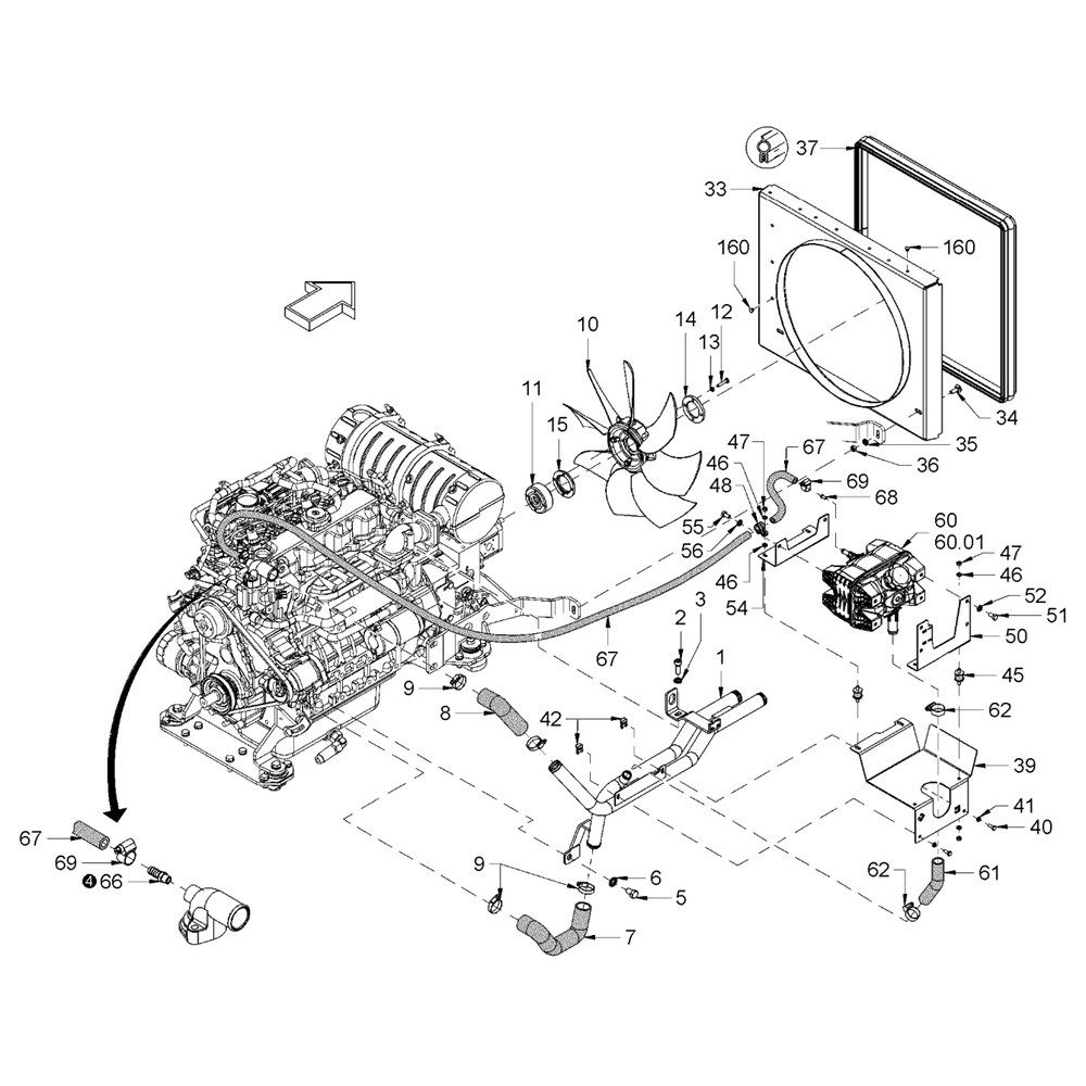
The cooling system for Hamm HD13i - 14i (H231) Rollers is crucial for maintaining optimal engine and hydraulic oil temperatures. This system ensures efficient heat dissipation, preventing overheating and extending the lifespan of the roller. Components may include radiators, fans, and hoses, all designed to work seamlessly with Hamm machinery for reliable performance.
Reviews
Add a review
Write Your Own Review
Ask a Question
Customer Questions

