
Hamm HD13i - 14i (H231) Twin Drum Roller Parts
Genuine Spare Parts for Hamm HD13i - 14i (H231) Twin Drum Compaction Roller.
Genuine Spare Parts for Hamm HD13i - 14i (H231) Twin Drum Compaction Roller.
Shop by diagram

Scraper Assembly for Hamm Roller

Scraper Assembly for Hamm Roller

Sprinkler System Assembly

Sprinkler System for Hamm Roller

Steering Assembly for Hamm Roller

Drive Shifting Assembly

Instrument Panel for Hamm HD13i - 14i

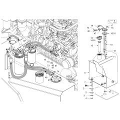
Oil Tank Assembly for Hamm Roller

Hydraulic Oil Filter for Hamm

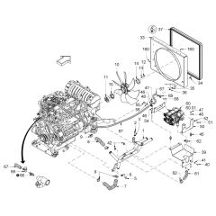
Cooling System for Hamm Rollers

Exhaust Filter Assembly

Fuel Filter Assembly for Hamm

Fuel Tank Assembly for Hamm

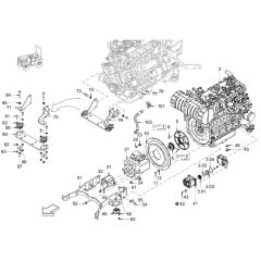
Pump Drive & Engine Assembly

Operators Seat Assembly

Canopies for Hamm HD13i - 14i
All products
-
Water Tank Strainer O Ring for Hamm HD8-10C, HD10-12, HD13-14 Roller - OEM - 2035815Was £15.49 £12.91 Special Price £12.40 £10.33
-
Hamm Roller HD, HD+, HP GRW, DV Range Water Tank Strainer O'Ring - OEM - 2035816Was £17.02 £14.18 Special Price £13.61 £11.34
-
Filter Insert for Hamm HD30-35 Roller - OEM No. 2322784£41.86 £34.88