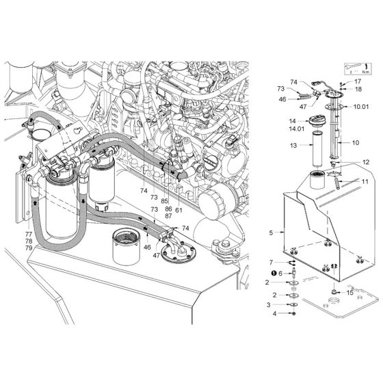
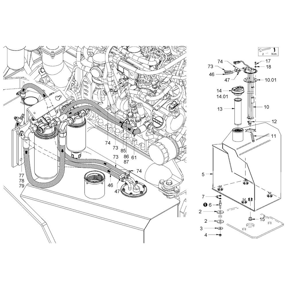
Description
The Fuel Tank Assembly for Hamm HD13i - 14i (H231) Roller is designed to ensure optimal fuel storage and delivery. This assembly includes components such as the tank, caps, and fittings, essential for maintaining the roller's efficiency. It helps prevent fuel leaks and ensures the engine receives a steady supply of fuel. Suitable for regular maintenance and repair tasks.
Reviews
Add a review
Write Your Own Review
Ask a Question
Customer Questions

