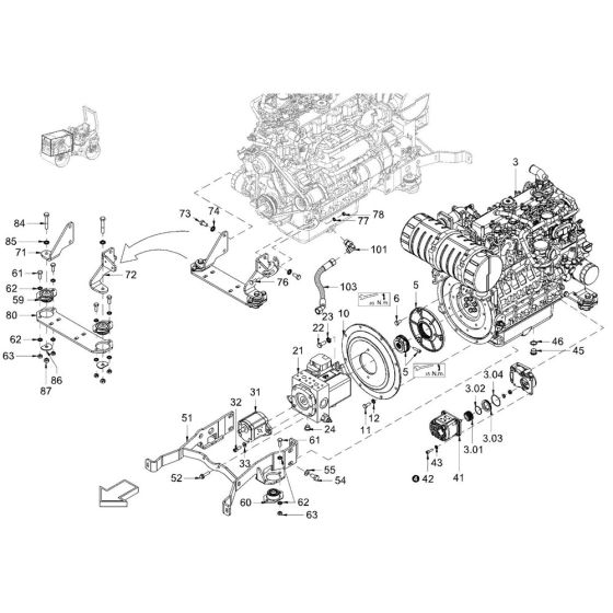
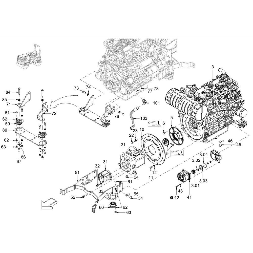
Description
The Pump Drive and Engine Assembly for Hamm HD13i - 14i (H231) Roller ensures optimal performance and reliability. This assembly includes key components such as pumps, drives, and engine parts designed to work seamlessly together. Essential for maintaining the roller's efficiency, these parts help in reducing downtime and extending the machine's lifespan.
Reviews
Add a review
Write Your Own Review
Ask a Question
Customer Questions

