Description
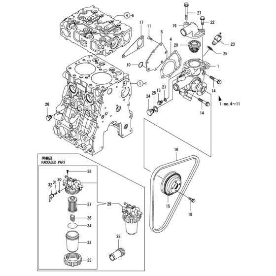
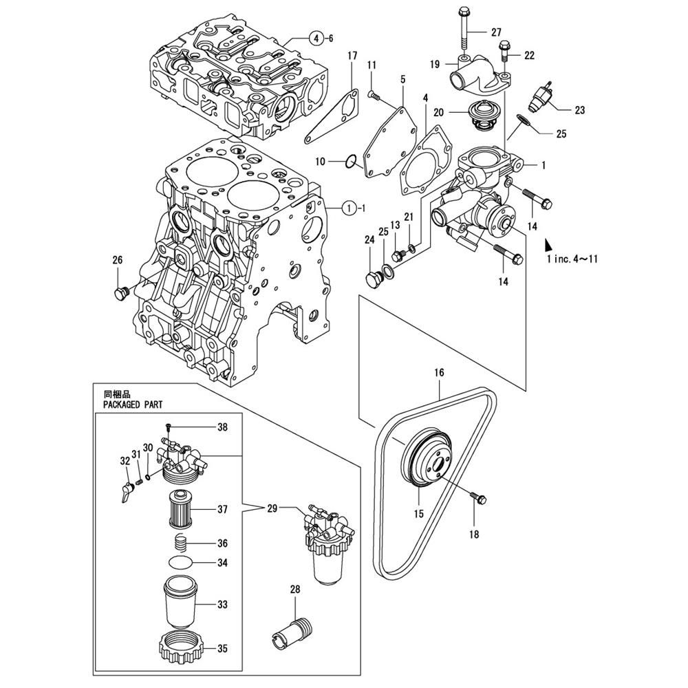
The Cooling Water System Assembly for the Yanmar 2TNV66-DMC Engine is designed to ensure optimal engine temperature and performance. This assembly includes components such as hoses, pumps, and thermostats, which work together to circulate coolant and prevent overheating. Essential for maintaining engine efficiency and longevity, these parts are available in various specifications to suit different needs.
Reviews
Add a review
Write Your Own Review
Ask a Question
Customer Questions

