
Yanmar 2TNV66-DMC Engine Parts
Shop by diagram

Cylinder Block Assembly

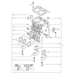
Gear Housing for Yanmar 2TNV66-DMC

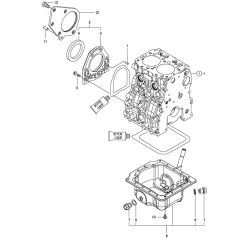
Oil Sump Assembly for Yanmar

Cylinder Head, Bonnet Assembly

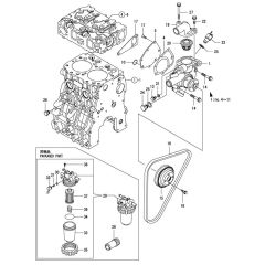
Camshaft, Driving Gear Assembly

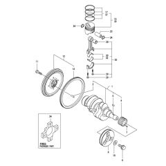
Crankshaft, Piston Assembly

Oil System for Yanmar 2TNV66-DMC

Cooling Water System Assembly

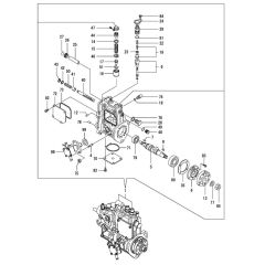
Fuel Injection Pump Assembly

Governor Assembly for Yanmar

Fuel Injection Valve Assembly

Starting Motor for Yanmar 2TNV66-DMC

Generator Assembly for Yanmar

Gaskets & Tools for Yanmar
All products
-
Lock Nut M6 - Genuine Yanmar Part - 26756 060002£2.27 £1.89
-
O-Ring for Yanmar 3TNA72L Engine - 24311-000120£2.81 £2.34