
Yanmar 3TNV88-XWA2 Engine Parts
Yanmar 3TNV88-XWA2 Engine Parts Fits Thwaites Mach 471 Dumpers. Genuine and Non Genuine Parts Available.
Yanmar 3TNV88-XWA2 Engine Parts Fits Thwaites Mach 471 Dumpers. Genuine and Non Genuine Parts Available.
Shop by diagram

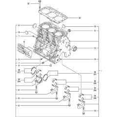
Cylinder Block Assembly

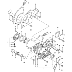
Gear Housing Assembly for Yanmar

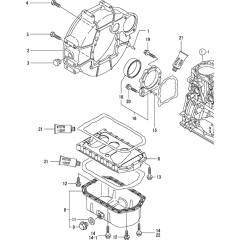
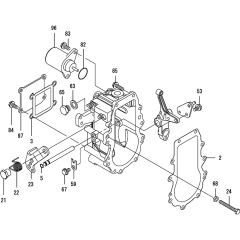
Flywheel Housing & Oil Sump

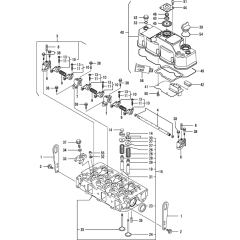
Cylinder Head & Bonnet Assembly

Suction Manifold for Yanmar 3TNV88

Exhaust Manifold for Yanmar 3TNV88-XWA2

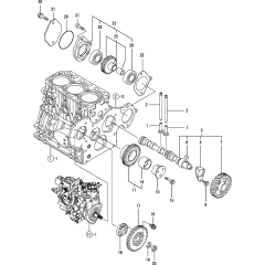
Camshaft & Driving Gear Assembly

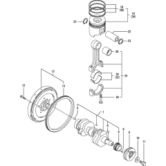
Crankshaft & Piston Assembly

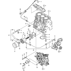
Oil System for Yanmar 3TNV88-XWA2

Cooling Water System Assembly

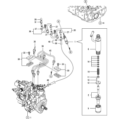
Fuel Injection Pump Assembly

Governor Assembly for Yanmar

Fuel Injection Valve Assembly

Fuel Line Assembly for Yanmar

Starting Motor Assembly

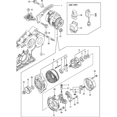
Generator Assembly for Yanmar

Gasket Set for Yanmar 3TNV88-XWA2
All products
-
Lock Nut M6 - Genuine Yanmar Part - 26756 060002£2.27 £1.89
-
Service Kit for Thwaites MACH 580 Dumper - Non-Genuine£154.50 £128.75
-
Gasket (NON-ASB) for Yanmar 3TNE88 Engine - 129001-01340£114.36 £95.30