
Yanmar 3TNV88-BPTB2 Engine Parts (Takeuchi TB235)
Yanmar 3TNV88-BPTB2 Engine Parts Fits Takeuchi TB235 Excavators. Genuine and Non Genuine Parts Available.
Yanmar 3TNV88-BPTB2 Engine Parts Fits Takeuchi TB235 Excavators. Genuine and Non Genuine Parts Available.
Shop by diagram

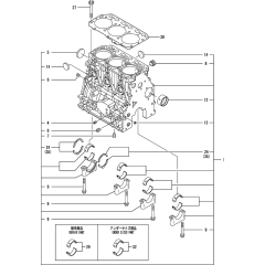
Cylinder Block Assembly

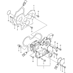
Gear Housing Assembly

Flywheel & Oil Sump Assembly

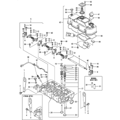
Cylinder Head & Bonnet Assembly

Suction Manifold & Air Cleaner

Exhaust Manifold & Silencer

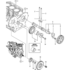
Camshaft & Gear Assembly

Crankshaft & Piston Assembly

Oil System Assembly for Yanmar

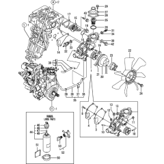
Cooling Water System Assembly

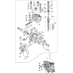
Fuel Injection Pump Assembly

Governor Assembly for Yanmar

Fuel Injection Valve Assembly

Fuel Line Assembly for Yanmar

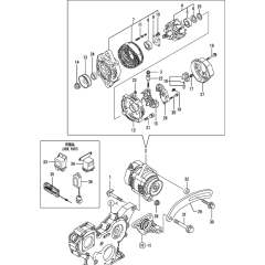
Starting Motor Assembly

Starting Motor Assembly

Gasket Set & Tools for Yanmar
All products
-
Lock Nut M6 - Genuine Yanmar Part - 26756 060002£2.27 £1.89
-
Solenoid Stop for Yanmar 3TNV88-XTBZ Engine - 119233-77932£203.04 £169.20
-
Gasket (NON-ASB) for Yanmar 3TNE88 Engine - 129001-01340£114.36 £95.30