
Yanmar 3TNV82A-BPTB Engine Parts (Takeuchi TB228)
Yanmar 3TNV82A-BPTB Engine Parts Fits Takeuchi TB228 Excavators. Genuine and Non Genuine Parts Available.
Yanmar 3TNV82A-BPTB Engine Parts Fits Takeuchi TB228 Excavators. Genuine and Non Genuine Parts Available.
Shop by diagram

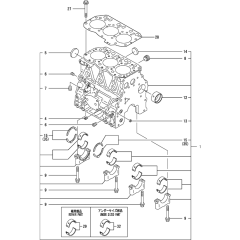
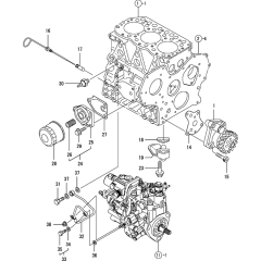
Cylinder Block Assembly

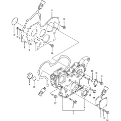
Gear Housing Assembly

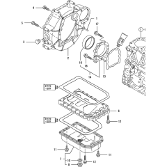
Flywheel Housing & Oil Pump

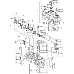
Cylinder Head & Bonnet Assembly

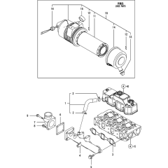
Suction Manifold & Air Cleaner

Exhaust Manifold & Silencer

Camshaft & Gear Assembly

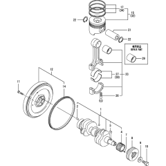
Crankshaft & Piston Assembly

Oil System Assembly for Yanmar

Cooling Water System Assembly

Fuel Injection Pump Assembly

Governor Assembly for Yanmar

Fuel Injection Valve Assembly

Fuel Filter Assembly for Yanmar

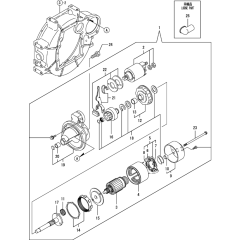
Starting Motor Assembly

Generator Assembly for Yanmar

Gasket Set for Yanmar Engine
All products
-
Valve Cap for Yanmar L100AE Engines - 104211 11370£12.10 £10.08
-
Bolt for Yanmar 3TNA72L Engine - 119620-02020£9.37 £7.81
-
Lock Nut M6 - Genuine Yanmar Part - 26756 060002£2.27 £1.89
-
Solenoid Stop for Yanmar 3TNV88-XTBZ Engine - 119233-77932£203.04 £169.20