
Yanmar 3TNV70-STB Engine Parts (TB016 Excavators)
Yanmar 3TNV70-STB Engine Parts Fits Takeuchi TB016 Excavators. Genuine and Non Genuine Parts Available.
Yanmar 3TNV70-STB Engine Parts Fits Takeuchi TB016 Excavators. Genuine and Non Genuine Parts Available.
Shop by diagram

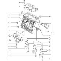
Cylinder Block Assembly

Gear Housing for Yanmar 3TNV70-STB

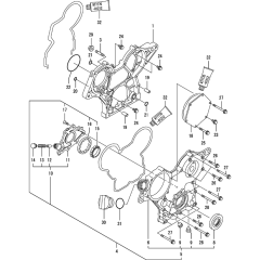
Flywheel Housing & Oil Sump

Cylinder Head & Bonnet Assembly

Air Cleaner for Yanmar 3TNV70-STB

Exhaust Manifold & Silencer

Camshaft & Gear Assembly

Crankshaft & Piston Assembly

Oil System Assembly for Yanmar

Cooling Water System

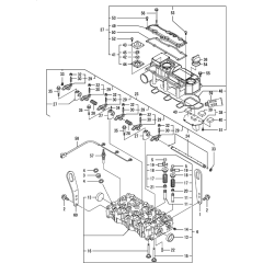
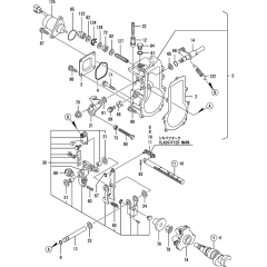
Fuel Injection Pump Assembly

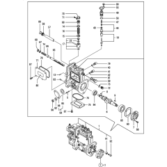
Governor Assembly for Yanmar

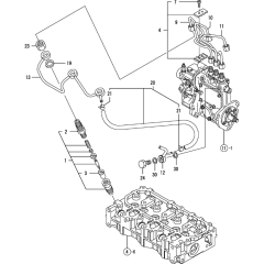
Fuel Injection Valve Assembly

Fuel Line Assembly for Yanmar

Starting Motor for Yanmar 3TNV70

Generator Assembly for Yanmar

Gasket Set for Yanmar 3TNV70-STB
All products
-
V Belt A 35 for Yanmar 3TNV70-STB Engine - 25152-003500£14.05 £11.71
-
Bolt for Yanmar 3TNA72L Engine - 119620-02020£9.37 £7.81
-
Lock Nut M6 - Genuine Yanmar Part - 26756 060002£2.27 £1.89
-
Solenoid Stop for Yanmar 3TNV88-XTBZ Engine - 119233-77932£203.04 £169.20