
Yanmar 3TNV88-XWA Engine Parts (Thwaites Mach 378)
Yanmar 3TNV88-XWA Engine Parts Fits Thwaites Mach 378 Dumpers. Genuine and Non Genuine Parts Available.
Yanmar 3TNV88-XWA Engine Parts Fits Thwaites Mach 378 Dumpers. Genuine and Non Genuine Parts Available.
Shop by diagram

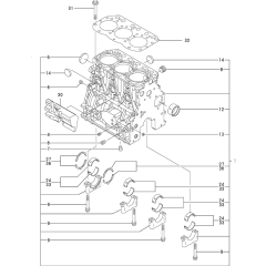
Cylinder Block Assembly

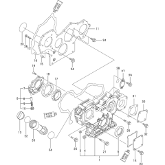
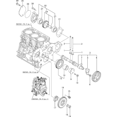
Gear Housing for Yanmar 3TNV88-XWA

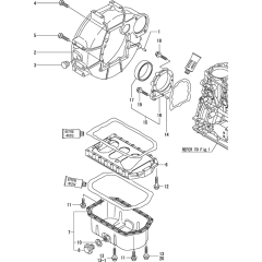
Flywheel Housing & Oil Sump

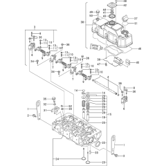
Cylinder Head & Bonnet Assembly

Suction Manifold for Yanmar 3TNV88

Exhaust Manifold for Yanmar 3TNV88-XWA

Camshaft & Gear Assembly

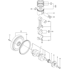
Crankshaft & Piston Assembly

Oil System Assembly Yanmar 3TNV88-XWA

Cooling Water System Assembly

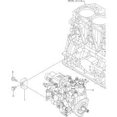
Fuel Injection Pump Assembly

Fuel Injection Valve Assembly

Fuel Pipe Assembly for Yanmar

Starting Motor Assembly

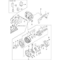
Generator Assembly for Yanmar

Gasket Set for Yanmar 3TNV88-XWA
All products
-
Service Kit for Thwaites MACH 580 Dumper - Non-Genuine£154.50 £128.75
-
Gasket (NON-ASB) for Yanmar 3TNE88 Engine - 129001-01340£114.36 £95.30