
Yanmar 4TNV98-VTBZ Engine Parts (Takeuchi TB175)
Yanmar 4TNV98-VTBZ Engine Parts Fits Takeuchi TB175 Excavators. Genuine and Non Genuine Parts Available.
Yanmar 4TNV98-VTBZ Engine Parts Fits Takeuchi TB175 Excavators. Genuine and Non Genuine Parts Available.
Shop by diagram

Cylinder Block Assembly

Gear Housing Assembly

Flywheel Housing & Oil Sump

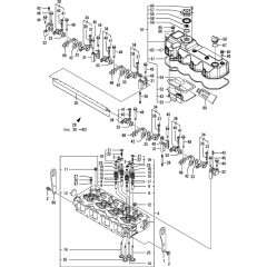
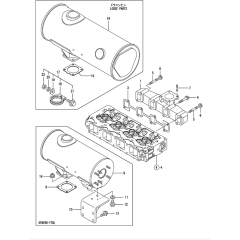
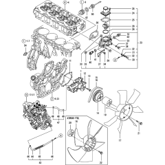
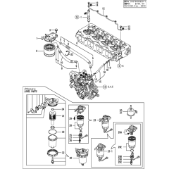
Cylinder Head & Bonnet Assembly

Suction Manifold & Air Cleaner

Exhaust Manifold & Silencer

Camshaft & Gear Assembly

Crankshaft & Piston Assembly

Oil System Assembly for Yanmar

Oil System-1 Assembly

Oil System-2 Assembly

Cooling Water System Assembly

Radiator Assembly for Yanmar

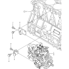
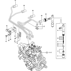
Fuel Injection Pump Assembly

Fuel Injection Valve Assembly

Fuel Line Assembly for Yanmar

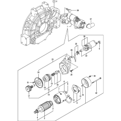
Starting Motor Assembly

Starting Motor for Yanmar 4TNV98

Generator Assembly for Yanmar

Generator-1 Assembly
All products
-
Spring Retainer L100 - Genuine Yanmar No. 119620 11180£15.64 £13.03
-
O-Ring for Yanmar 3TNA72L Engine - 24311-000120£2.81 £2.34