
Yanmar 4TNV88-XWA Engine Parts (Thwaites Mach 374)
Yanmar 4TNV88-XWA Engine Parts Fits Thwaites Mach 374 Dumpers. Genuine and Non Genuine Parts Available.
Yanmar 4TNV88-XWA Engine Parts Fits Thwaites Mach 374 Dumpers. Genuine and Non Genuine Parts Available.
Shop by diagram

Cylinder Block Assembly

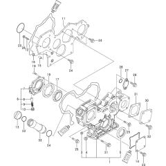
Gear Housing for Yanmar 4TNV88-XWA

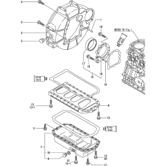
Flywheel Housing & Oil Sump

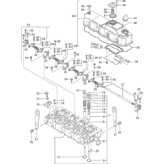
Cylinder Head & Bonnet Assembly

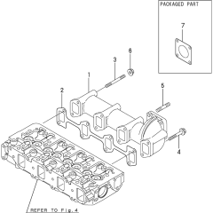
Suction Manifold Assembly

Exhaust Manifold for Yanmar 4TNV88-XWA

Camshaft & Gear Assembly

Crankshaft & Piston Assembly

Oil System Assembly for Yanmar

Cooling Water System Assembly

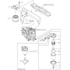
Fuel Injection Pump Assembly

Fuel Injection Valve Assembly

Fuel Pipe Assembly for Yanmar

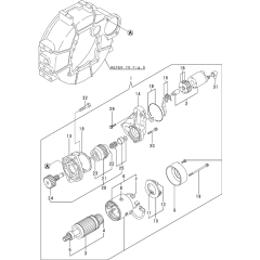
Starting Motor Assembly

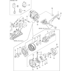
Generator Assembly for Yanmar

Gasket Set & Tools for Yanmar
All products
-
Circlip for Yanmar 3TNE88 Engine - 22252-000260£2.10 £1.75
-
O-Ring for Yanmar 3TNA72L Engine - 24311-000120£2.81 £2.34